

001-00039
銅管及び保温材
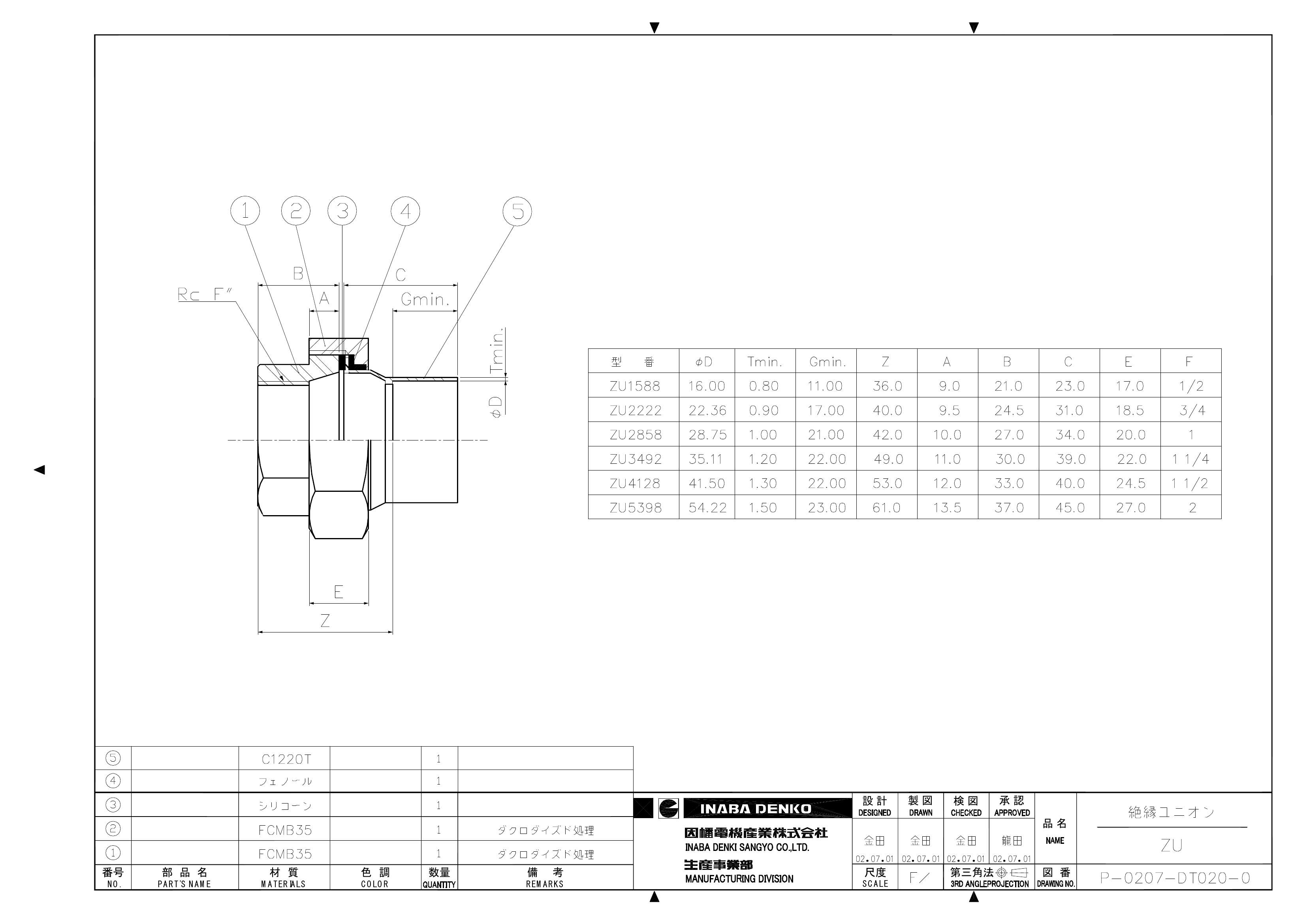
【ZU】絶縁ユニオン
- 生産終了
注意
冷媒配管用には使用できません。
銅管との接合は極力はんだ付けで必要以上に加熱しないように行ってください。
ろう付けされますと、ろう付け時の高温加熱によりねじ部が軟化して水密機能を損なうことがあります。
ダウンロードデータ
-
仕様図面
-
施工要領手順書
お問い合わせ
随時お問い合わせを受け付けております。お電話の場合は、お近くの営業拠点にご連絡ください。
製品詳細

コードNo. | 型番 | 標準価格 | 梱包 |
---|
- 受受注生産
- 終生産終了
- 在在庫限り