2025.10.01お知らせ
【新発売】圧倒的なスピード施工のホールドワン 省施工吊りバンド「SST」が発売!
展示会でも大好評!ホールドワン 省施工吊りバンド「SST」を新規発売いたします。
圧倒的なスピード施工を実現し、施工時間を短縮!工期短縮に繋がります。

■製品特長
Point 1 早い
①配管を押し上げて仮保持
②ボルトを締めるだけ

Point 2 確実!安心!
ボルトを締めると先端樹脂が開くので、施工完了を目視で確認できる

■仕様
表面処理・・・ユニクロめっき
適合吊りボルト・・・W3/8
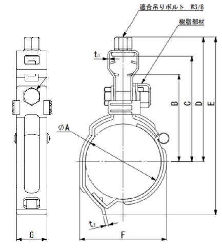
■寸法図


