2025.11.04お知らせ
【新発売】保温材付きの断熱ドレンホース接続継手が登場
断熱ドレンホースDSH-20N/25Nと結露防止層付硬質塩化ビニル管サイズ20/25を直接つなげる保温材付きのジョイントとエルボを新規発売いたします。保温材付きのため保温工事が不要です。
結露防止層付硬質塩化ビニル管ジョイント保温材付「DSH-N-KD」

■コード・型番・梱包・価格

■仕様
材質…本体:PVC、保温材:発泡PE
■寸法図


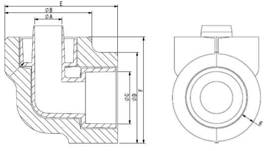
結露防止層付硬質塩化ビニル管エルボ保温材付「DSH-N-KED」

■コード・型番・梱包・価格

■仕様
材質…本体:PVC、保温材:発泡PE
■寸法図




