

004-00069
防火区画貫通部材(タイカエックス/タイカX)
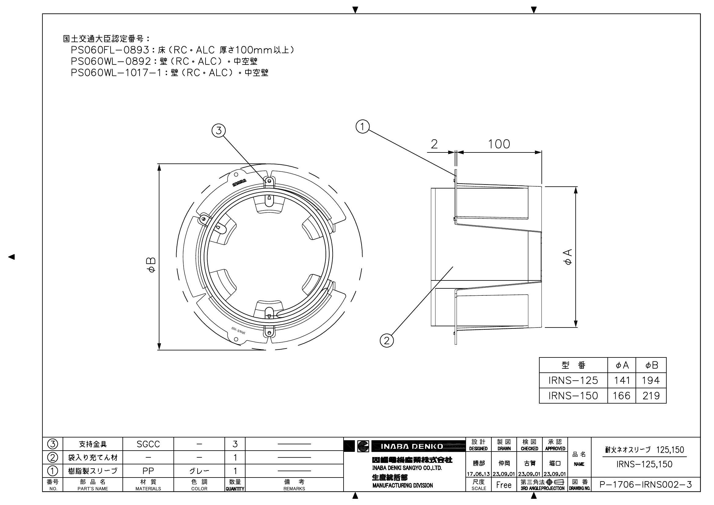
【IRNS】耐火ネオスリーブ
- 生産終了
注意
作業時は、作業手袋などを着用してください。
認定書を熟読のうえ、施工してください。
サイズ選定の際には、占積率および配管束外径を共に満たすことを確認してください。
中空壁施工には板厚0.25mm以上の鋼製スリーブが必要です。
区画貫通部で配管などが動かないように近傍でしっかりと固定してください。床貫通部に使用する場合は、縦引き貫通材の支持を完全に行ってください。特に冷媒管の場合は、配管長の中央部に「パイプロックTK/TKL」を使用して配管を支持してください。不十分な場合は袋入り充てん材にすき間が生じる可能性があり、耐火性能が発揮できません。
屋外で使用の場合は、紫外線、雨水などが当たらないように処置を施してください。
ダウンロードデータ
-
仕様書
-
仕様図面
-
仕様図面
-
製品取扱説明書
-
国土交通大臣認定書
-
国土交通大臣認定書
-
国土交通大臣認定書
-
防火区画詳細図
-
防火区画詳細図
-
防火区画詳細図
お問い合わせ
随時お問い合わせを受け付けております。お電話の場合は、お近くの営業拠点にご連絡ください。
製品詳細

コードNo. | 型番 | 適用貫通穴径 | φA | φB | 標準価格 | 梱包 |
---|---|---|---|---|---|---|
60874062501終 | IRNS-50 | φ50~φ55 | 61 | 111 | ¥3,150 | 8 |
60874062502終 | IRNS-70 | φ70 | 86 | 135 | ¥3,510 | 8 |
60874062503終 | IRNS-75 | φ75~φ80 | 86 | 135 | ¥3,630 | 8 |
60874062506終 | IRNS-150 | φ150~φ160 | 166 | 219 | ¥7,870 | 8 |
- 受受注生産
- 終生産終了
- 在在庫限り