
004-00109
防火区画貫通部材(タイカエックス/タイカX)
給水・給湯・排水・電力用
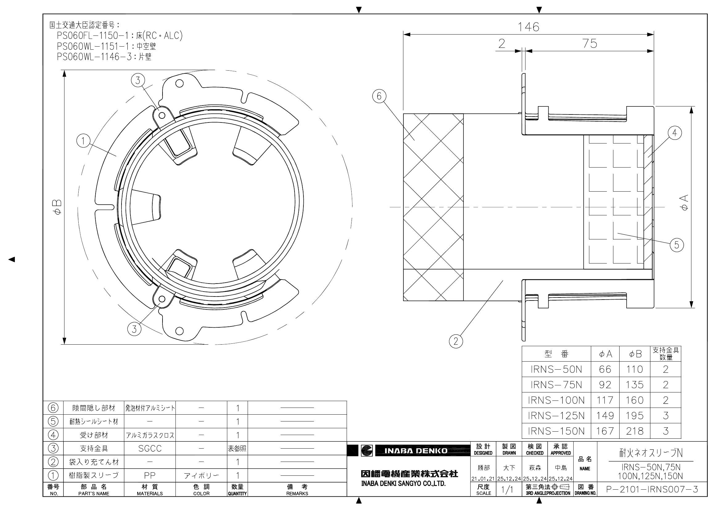
【IRNS-N】耐火ネオスリーブN
ダウンロードデータ
-
仕様図面
-
製品取扱説明書
-
適用範囲概要
-
国土交通大臣認定書
-
国土交通大臣認定書
-
国土交通大臣認定書
-
CAD(DXF)
-
防火区画詳細図
-
防火区画詳細図
-
防火区画詳細図
お問い合わせ
随時お問い合わせを受け付けております。お電話の場合は、お近くの営業拠点にご連絡ください。
製品詳細
| コードNo. | 型番 | 適用貫通穴径 | φA | φB | 標準価格 | 梱包 |
|---|---|---|---|---|---|---|
| 60874062511 | IRNS-50N | φ50~φ55 | 66 | 110 | ¥4,130 | 8 |
| 60874062513 | IRNS-75N | φ75~φ80 | 92 | 135 | ¥4,800 | 8 |
| 60874062514 | IRNS-100N | φ100~φ110 | 117 | 160 | ¥5,850 | 8 |
| 60874062515 | IRNS-125N | φ125~φ135 | 149 | 195 | ¥8,380 | 8 |
| 60874062516 | IRNS-150N | φ150~φ160 | 167 | 218 | ¥10,400 | 8 |
- 受受注生産
- 終生産終了
- 在在庫限り
サイズ選定に
困っていませんか?
防火区画貫通部材 耐火選定ツールを使うと、開口寸法などをリストより選択し、系統数を入力いただくことで、使用可能なサイズ・使用部材を選定できます。
